聯系人:項燕
手機:13382641389
電話:0515-88691673
傳真:0515-88691678
郵箱:97543880@qq.com
地址:江蘇省鹽城市金融城2號樓705室
網址:http://www.wshia.com
? 干燒電加熱管-設計前提須知
在設計干燒電加熱管之前,我們必須要搞明白幾個事情:
①加熱管是嵌入式干燒還是裸露空氣干燒?
②裸露空氣干燒的時候,是否有風循環?
③工作環境以及工作溫度
④安裝空間大小;
? 干燒電加熱管選型指導-材質選擇
液體電加熱管的護套材質選擇主要根據加熱液體的情況來決定,一般可以按照如下材質選擇:

? 干燒電加熱管選型指導-加熱管樣式的選擇以及尺寸建議
※ 纏繞式翅片直棒型


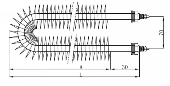
※ 纏繞式翅片U型
![1529373220453286.jpg L{Q2QQV]S83C(UKMUJ$B1TO](http://www.wshia.com/storage/2830/article/20180720/1532069815488191..jpg)

※ 纏繞式翅片W型


※ 方形翅片25*50型


※ 方形翅片40*80型-可2根直棒,也可U型


? 干燒電加熱管選型指導-使用注意點
干燒電加熱管使用最重要的一點原則是,散熱要好,空氣流動要好,或者嵌入孔中的時候,其間隙要小。只有干燒電加熱管表面散熱好,加熱管的壽命才會好。
干燒電加熱管使用時,額定電壓需要穩定,偏差過大,會導致干燒電加熱管表面負荷變大,造成表面溫度過高,超負荷工作。
? 干燒電加熱管 - 我們幫您設計
若您看了以上資料,還是不會選型,可以直接咨詢我們: 13382641819
您也可以直接看看我們的干燒電加熱管產品中心,看看有沒有與您需求一致的類似產品:

上一新聞:液體電加熱管選型指導
下一新聞:直棒或異形電加熱管選型指導