聯系人:項燕
手機:13382641389
電話:0515-88691673
傳真:0515-88691678
郵箱:97543880@qq.com
地址:江蘇省鹽城市金融城2號樓705室
網址:http://www.wshia.com
GYQ型空氣干燒電加熱管適用于各種空氣加熱系統,可用做烘箱,流態型空氣加熱器等加熱設備。加熱材質為10#鋼或者不銹鋼材質,最高加熱介質溫度一般為300°左右。GYQ型空氣干燒電加熱管主要應用于:空氣干燒加熱系統,如烘箱、烤箱、烤漆房等設備中。
GYQ型空氣干燒電加熱管適用于各種空氣加熱系統,可用做烘箱,流態型空氣加熱器等加熱設備。加熱材質為10#鋼或者不銹鋼材質,加熱介質溫度一般為300°左右。GYQ型空氣干燒電加熱管主要應用于:空氣干燒加熱系統,如烘箱、烤箱、烤漆房等設備中。




上幾張圖為GYQ型空氣干燒電加熱管實拍圖片,盜用必究


值得說明:
1.GYQ型空氣干燒電加熱管外殼材質一般采用: 不銹鋼304或者10#碳鋼
2.GYQ型空氣干燒電加熱管電熱絲材質可選:0Cr25Al5、0Cr21Al6Nb、0Cr27Al7Mo2、Cr20Ni80等
3.GYQ型空氣干燒電加熱管絕緣填充物:絕緣氧化鎂粉
4.GYQ型空氣干燒電加熱管額定電壓: 通常220V、380V等
5.GYQ型空氣干燒電加熱管功率(表面負荷):參考下面表格
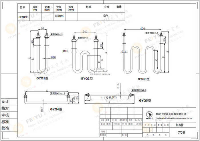
6.GYQ型空氣干燒電加熱管管徑:16mm
7.GYQ型空氣干燒電加熱管長度、形狀:參考下面表格
8.冷態絕緣電阻:出廠檢驗時冷態絕緣電阻應不小于50MΩ;密封試驗后,長期存放或使用后的絕緣電阻應不小于1MΩ
9.冷態泄露電流:≤ 0.5 mA
10.冷態絕緣:1600v. 1/seg
GYQ型空氣干燒電加熱管產品優勢
1.非標定制,靈活生產,滿足各種設備加熱要求。
2.功率設計合理,使用壽命長。
3.硅膠壓頭處理,防水性好,使用安全。
GYQ型空氣干燒電加熱管注意事項
GYQ型空氣干燒電加熱管一般都是錯列布置在管道中,使流過的空氣能充分加熱,管道的四周應有較好的絕熱層以減少損失。
GYQ型空氣干燒電加熱管之間的距離與風速有關,一般風速在8-12米較為合適,過高增加壓力損失,過低影響效率,并易燒壞。
GYQ型空氣干燒電加熱管的電接頭應放在保溫層、加熱室以外,接線時勿用力過猛。
GYQ型空氣干燒電加熱管的工作電壓不得超過其額定值的10%,外殼應有效接地。
GYQ型空氣干燒電加熱管工作環境,濕度不大于95%,無爆炸性、腐性氣體。
GYQ型空氣干燒電加熱管應儲藏在干燥之處,若因長期放置其對地絕緣電阻低于1M歐姆時,可在200℃左右的烘箱中干燥若干小時即可恢復。
GYQ型空氣干燒電加熱管的緊固螺母為M22*1.5,長為45mm.
歡迎直接來 電咨詢: 13382641389 (手 機 /微信) 項經理
【管狀電加熱管概況】
工業管狀加熱管適用于大多數需要電加熱的場合。它們可以用直的形式或彎曲成各種形狀,根據要求非標定制,因此工業用電加熱管一般均無現貨。
工業管狀電熱管常用于以下應用中:
空氣加熱 | 浸入式液體加熱 | 管道加熱 | 對流加熱 | 烘干設備
【雙頭電加熱管結構】

1. 陶瓷絕緣子 2.密封材料 3.引線棒 4.氧化鎂粉 5.電阻絲 6.金屬護套
【雙頭電加熱管設計,需要考慮因素】
影響加熱管耐久性的兩個最關鍵因素是:
1. 金屬護套管的選擇
2. 表面負荷的選擇(說簡單點,就是每米功率的選擇)
電加熱管的外殼材料類型取決于加熱管工作的溫度和加熱介質的腐蝕性。電熱管表面負荷之所以重要,有兩個原因:
首先,它決定了加熱管外殼材料在加熱條件下的所要承受的溫度。
第二,每一種材料都有一個特定表面負荷,使它可以在加熱周期內能承受的住。
表1:列出各種管外殼材料,以及其允許溫度和推薦使用的介質。
管外殼材質 | ≤耐溫 | 應用實例 |
銅 | 170 ℃ | 浸沒于水和無腐蝕性的低粘度液體中 |
碳鋼 | 400 ℃ | 油,蠟,瀝青,鋁或鐵鑄造 |
不銹鋼304 321 316 | 600 ℃ | 腐蝕性液體,食品工業,滅菌器 |
英格萊 | 815 ℃ | 空氣,腐蝕性液體,夾在表面 |
表2:列出不同材料的推薦表面負荷和介質
管外殼材質 | ≤表面負荷 W/cm2 | 加熱介質 |
銅 | 7 W/cm2 | 水,弱酸性液體 |
銅 | 2.5 W/cm2 | 食品油,潤滑油,液壓油 |
不銹鋼304 321 316 | 11 W/cm2 | 水,弱酸性液體 |
不銹鋼304 321 316 | 2.5 W/cm2 | 食品油,潤滑油,液壓油 |
不銹鋼304 321 316 | 5 W/cm2 | 靜止的空氣 |
不銹鋼304 321 316 | 5.5 W/cm2 | 不低于6m/s 風速的流動空氣 |
不銹鋼304 321 316 | 13 W/cm2 | 澆鑄于鋁或鐵中 |
英格萊 | 10 W/cm2 | 靜止的空氣 |
英格萊 | 11 W/cm2 | 不低于6m/s 風速的流動空氣 |
【雙頭電加熱管一般固定方式-緊固件固定】

管徑 | 推薦緊固件大小(一般選擇后者) |
6mm | M10*1.5 or M12*1.5 |
8mm | M12*1.5 or M14*1.5 |
10mm | M14*1.5 or M16*1.5 |
12mm | M16*1.5 or M18*1.5 |
14mm | M18*1.5 or M20*1.5 |
16mm | M20*1.5 or M22*1.5 |
18mm | M22*1.5 or M24*1.5 |
20mm | M24*1.5 or M27*1.5 |
【電加熱管彎管成異形的時候,需要注意以下】
通過縮管機縮管后的直徑,對電熱管的絕緣氧化鎂粉進行了壓縮。然后在高溫爐中對這些加熱管進行退火,以減輕在軋制過程中發生的金屬應力(工作硬化),使其減小護套的尺寸。退火使金屬回到軟態,使加熱管幾乎可以彎曲成任何形狀。然而,由于成形也會使金屬變硬,因此必須采取一些預防措施,以防止在彎曲或出現應力開裂痕跡時護套斷裂。
電加熱管在彎管的時候,其中需要注意一個R弧度的限制,R弧度太小,加熱管易彎斷,報廢率高,正常彎管成各種異形的情況下,沒有特殊要求應該符合下面表格中的最小R弧度
|
|
形狀各異,客戶可以直接提供異形形狀尺寸或者圖紙咨詢。
【電加熱管使用注意點】
1、電加熱管允許在下列條件下工作:
(1)空氣相對濕度不大于95%;
(2)工作電壓不大于額定值的1.1倍,外殼應有效接地。
2、加熱介質為液體時,電熱管的有效長度必須全部浸在液體中。電加熱管發熱部份應與容器壁有一定距離,一般為50-60mm以上。
3、加熱液體的電加熱管不得用于加熱氣體或固體物。
4、加熱液體的元件,如發現管子表面有水垢或結炭時,應清除干凈后再用,以免影響加熱管的使用壽命和降低熱效率。
5、熔煉輕金屬或硝鹽、堿、瀝青、石蠟等為固態時進行加熱,應降壓啟動,待固態加熱介質全部熔化后才能升至額定電壓。
6、加熱硝鹽時應考慮安全措施,預防爆炸事故發生。
7、電熱管接線部份應放在保溫層、加熱室外,并避免與腐蝕性、爆炸性氣體接觸。必須保持出線端部干燥、清潔,以免造成閃絡或短路。接線時勿用力過猛。
8、加熱管的端部可能溢出少量糊狀物,這是封口材料,不影響使用,待斷電后,將溢出物揩干凈即可。
9、電熱管應儲存在空氣流通、相對濕度不大于85%、無腐蝕性氣體的室內。
10、加熱管使用一段時間后又長期不用而受潮后,其冷態絕緣電阻低于1兆 歐時,可將元件放在溫度200度左右的干燥箱中烘焙,或降低電壓直接通電加熱,除去潮氣,至恢復正常為止。
【快速聯系我們咨詢產品】
認準鹽城飛宇合金電器有限公司其他官方 網站:
上一產品:面包機設備用風速加熱管
下一產品:韓式燒烤爐電加熱管